|
“母线槽”最全安装方法(电气人必读)!1.10kV架空网典设电网结构 1.1辐射式 自变电站母线引出,仅配有分段开关的架空线路构成辐射式电网结构,如下图所示。
1.2多分段单联络 自不同变电站或变电站不同母线段引出,配有分段开关,并在线路末端联络的两回架空线路构成多分段单联络电网结构,如下图所示。
1.3多分段适度联络 自变电站母线引出,配有多个分段开关,并与多回线路联络的架空线路构成多分段适度联络电网结构,如下图所(示意图为典型三分段、三联络)。
2.10kV电缆网典型电网结构 2.1单环式 自不同上级电源的中压母线引出两到四回电缆线路构成单环网,如下图所示(示意图为典型“2-1”单环网)。
适用A+、A、B、C类10kV配电网供电区域。 2.2双射式 自不同上级电源的中压母线引出双回电缆线路,形成双射式电网,如下图所示。
适用B类10kV配电网供电区域。 2.3对射式 自不同上级电源、不同方向的中压母线引出双回电缆线路,形成对射式电网,一般由双射式电网结构改造形成,如下图所示。
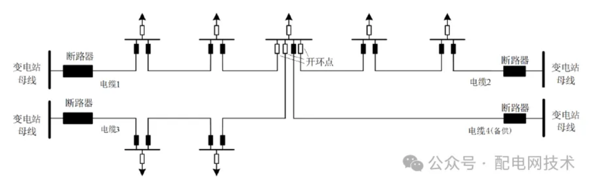
2.4双环式
2.5N供一备(2≤N≤4) 自不同上级电源的中压母线引出两到四回电缆线路构成N供一备电网,如下图所(示意图为典型三供一备)。
3.低压配电网电网典型结构 低压配电网(220 V/380 V)电网结构示意图如下图所示,采用辐射式接线方式。
转载自微信公众号(电力合伙人) |









